Philips HID-HeavyDuty BSN 400 L33-TS 230V 50Hz HD3-166
€168.95
€139.63
excl. Tax
incl. Tax
Expected shipping before 8 February
Want to order larger quantities?
- Free shipping above €121 incl. TaxFree shipping above €100 excl. Tax
- Business customer? Purchase on account
- Easy returns within 14 days
Specifications
Clear
General
|
i
The recommended quantity refers to the number of products pre-packaged by the manufacturer. When you buy this quantity, we deliver the products in the original package from the manufacturer.
|
Full box quantity | 4 |
|---|
General Information
| SKU | 156414 | |
|---|---|---|
| EAN | 8711500059765 | |
| Brand | Philips | |
| Manufacturer Name | BSN 400 L33-A2-TS 230V 50Hz HD3-166 | |
|
i
Our all-in warranty is fully included in the product price and covers both hidden defects and technical defects of the product that occurred before delivery. The warranty period differs per product and ranges from 1 year to a maximum of 7 years.
|
Any Lamp all-in warranty | 1 Year |
Technical Information
|
i
The technology indicates the operating base of a light source. The most well-known and energy-efficient example is LED. Other techniques include Halogen, gas discharge, TL (fluorescent) and the light bulb.
|
Technology | Accessory |
|---|---|---|
| Suitable for bulb type | CDO, HPI, MH, SON | |
| Ballast for bulb type | CDO, HPI, MH, SON | |
| Maximum Wattage Rating | 400 | |
|
i
When you dim lights, the full power does not have to be used. You therefore save extra on energy costs. Dimmable lamps can also be used to create an extra cosy atmosphere. Keep in mind that you need a LED dimmer to dim LED lights.
|
Dimmable | Not Dimmable |
| Amount of bulbs required | 1 | |
|
i
Lighting with a sensor only turns on when it receives a specific signal. This reduces energy costs. The (built-in) sensors respond to darkness (twilight switch) and/or movement (motion sensor).
|
Type of sensor | No Sensor |
| Product Type Category | Accessory - HID Ballast |
Gear Information
| EOC8 | 5976530 | |
|---|---|---|
| Series | BSN 400 |
Description Philips HID-HeavyDuty BSN 400 L33-TS 230V 50Hz HD3-166
Low priced Philips HID-HeavyDuty BSN 400 L33-TS 230V 50Hz HD3-166! Fast shipping. Philips quality at low prices, with additional discounts for large orders! Do not hesitate to contact us!
Philips HID-HeavyDuty BSN 400 L33-TS 230V 50Hz HD3-166 Details
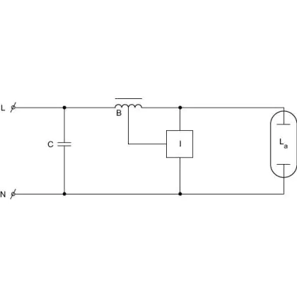
The Philips HID-HeavyDuty BSN semi-parallel ignitor is suitable for environments where chemicals are used and there are humid conditions where the risk of breakage is high.
You can connect 1 SON,